建一流集團 做世界強企
創領先價值 鑄百年品牌
建一流集團 做世界強企
創領先價值 鑄百年品牌
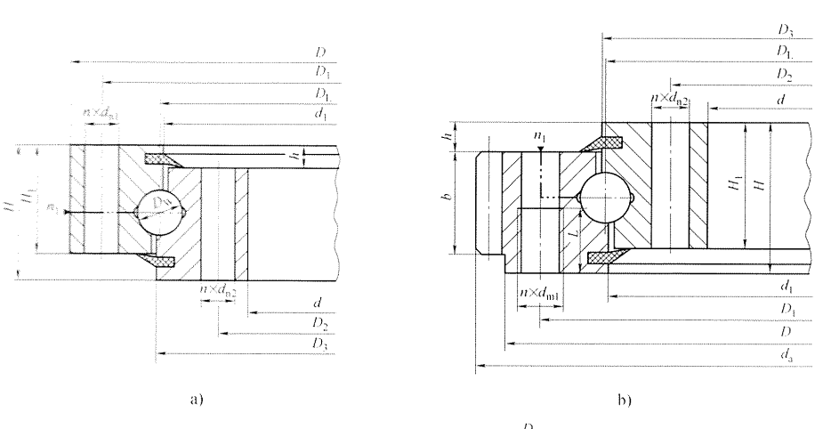
回轉支承由套圈(內圈、外圈、上/下圈)、滾動體、隔離塊、密封帶和油杯等組成,按結構型式分
為四個系列:
a)單排四點接觸球式回轉支承(01 系列),如圖2所示:
b)雙排異徑球式回轉支承(02系列),如圖3所示,其滾動體公稱直徑組合為上排/下排: 25/20、30/25、40/30、 50/40、 60/50;
c)單排交叉滾柱式回轉支承(11 系列),如圖4所示,其滾動體為1: 1成90°交叉排列:
d)三排滾柱式回轉支承(13 系列),如圖5所示,其滾動體公稱直徑組合為上排/下排/徑向:
25/20/16、32/25/20、 40/32/25、 45/32/25、 50/40/25。




